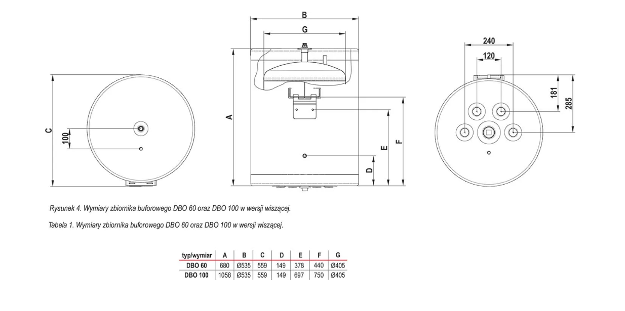
DEFRO BUFOR wiszący DBO 60L
Cena regularna:
towar niedostępny
dodaj do przechowalni
Opis




